12kW Mild Steel Over the Side Vat Heater.
£574.25
12kW Stainless Steel Over the Side Vat Heater
This is our official price, but
ring 01827 215684
for a deal!Description
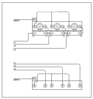
WE RECOMMEND THAT RCBO’S (an RCD & an MCB combined) ARE FITTED ON ALL OPEN TANKS.
From British suppliers, so available in a coupla days, our 12kW Mild Steel Over the Side Vat Heater is available to the following specifications.
- Stainless Steel 321, an alternative to Mild Steel
- 36″ / 920mm TOTAL drop by default, bendable to fit your vessel, as loops, feet, etc
- Default arrangement is 6″ on horizontal (cold) then first 8″ of drop is cold, rest is hot & MUST be submersed when active
- 6″ horizontal can be ommitted, giving 18″ colds and 42″ total drop, but this requires terminal box to be suspended over solution
- Heavy duty moulded ABS IP54 rated Terminal box 100mm cube, suitable for outdoor use
- Three phase, three elements
- 12.7mm or 1/2″ elements
- 53w/in² suitable for water and some chemical solutions (PLEASE CHECK WITH YOUR CHEMICAL SUPPLIERS – WE KNOW HEATERS, NOT CHEMICALS!)
- Moulded cable entry glands
- Removeable cover for easy access to wiring
- Adjustable moulded mounting blocks
- Colour coded BLUE for easy identification of element sheathing material
- Cold section markings for visual prevention of liquid level drop
- Robust construction
Call Jamie on 01827 215684 to discuss your specific 12kW Mild Steel Over the Side Vat Heater requirements, as everybodies application needs are different, and prevention is better than cure. If you are not sure of your kW needs, use our handy Calculation Tool.
















Reviews
There are no reviews yet.